Home ] Up ] ip ] DTC Toyota ] ToyotaS ] vz ] 3S ] 1Si ] D4 ] 2JZ-FSE ] FSE ] UTT_UDD ] 1MZ ] Idlet ] Simulator O-2 ] Vf1details ] Vf1new ] dtctoyota ] o2lean ] Lean ] LeanBurn ] LeanBurn2 ] [ Lean Burn, Vf and amateur ] ETCS ] rx ] lx470 ] PartNo ] Vin ]

 

"И такое рассказал и до того красиво!
Цитата:"...Я уже устал каждый день отпечатывать его статьи и сравнивать, чего ОНИ там добавили-убавили..."Что я чуть было не попал в лапы Тель-Авива!"
В.С. Высоцкий
"У каждого Конфуция найдется свой cольери..."
Автор
"Тот, кто лечится по справочнику, 
рискует умереть от опечатки..."
Некто
ваших трудах много хорошего и оригинального, но то, что в нем хорошо - не оригинально, а то, что оригинально - нехорошо..."
С. Джонсон

 Здесь распространение неверных данных (в очередной раз) о сопротивлении нагревателя Oxygen Sensors и демонстрация полного непонимания назначения т.н. защитного колпачка этого датчика. А перл о том, что некоторые составляющие выхлопа (emission) не попадают на чувствительный элемент - просто "out of range". Следуя логике, присущей автору этой глупости, надо полагать, что причина "зарыта" в размере (дескать, не пролезает ;-). 

  А вот так рождаются новые "заблуждения"! На этот раз глупости о напряжении на сигнальном проводе Toyota Air/Fuel Ratio Sensors : "... напряжение НА САМОМ деле НЕ меняется..." (Copyright Aries-SL  05/31/2004 12:16:05:-), что несомненно является ответом на то, что "напряжение "A/F+" может изменяться в диапазоне 3,8...2,8 вольт..." (al, 05/28/2004).
  И это после того, как "знаток" имел возможность  в этой брошюре ознакомиться с соответствующими описаниями, графиками и рисунками, сравнить
Voltage on Air/Fuel Ratio Sensor vs rpmScreenShots напряжения этого датчика при различных режимах двигателя ! 

    Только "умный белорусский парень" смог раскрыть происки западных спецслужб (и разгадать их тайный умысел :-), которые под видом технической информации распространяют "дезу", публикуя, например, этот график изменения напряжения на Air/Fuel Ratio Sensors ;-))):

Что это? Сознательное распространение "заведомо ложных сведений" ? Или просто подтверждение "умения" пользоваться информацией? Я не знаю, хотя у меня есть предположение о причинах всего этого... 

  Заодно я спросил бы "знатока", а он видел хоть "живьем" хоть один датчик прежде чем делать столь безапелляционное утверждение? Вопрос о том проверял ли - столь же неуместен;-)

 

  Интересна реакция на опровержение его безответственного утверждения и попытка "отката". 

Ну почему, имея книжку с описанием принципов их функционирования и проверки, не прочесть её внимательно? И зачем, толком не разобравшись, начинать очередной "базар"? Неужели история о якобы невозможности и якобы бесполезности проверки напряжения на сигнальном проводе Sensor Lean Mixture никого ни чему не научила? Вот уж, действительно, "не в коня корм..." ;-(

 Графики зависимости тока через и напряжения на Toyota Air/Fuel Ratio Sensor

  Доступна проверка изменений напряжения и с помощью обычного  диагностического сканера

  Кстати, нашел в почте смешное письмо от Dyrell Hicks (Technician from Chesapeake, Virginia, USA) об этом датчике. "...My question is: The front o2 is reading 3.2 volts at idle- ranges 2.5- 4 volts when snapped. Is this normal for this vehicle?...". Бедняга и не знает что, поскольку измеряет на этом (A/F Ratio on 2001 Toyota Tacoma) датчике такое напряжение, то может подвергнуться критике со стороны "знатока" (следуя логике "знатока", "наверняка провокатор"... (как силен в некоторых "ген КГБ" ;-)  

Напомню, что ...Рассматриваемый датчик состава топливной смеси (Air/Fuel Ratio Sensor) выполнен так, чтобы в зоне стехиометрического состава смеси при напряжении на чувствительном элементе 3,3 вольта и разности потенциалов между его электродами равной 0,3 вольта его выходной ток равен нулю (6.10.gif).

  При богатой смеси (малом содержании кислорода в выхлопных газах) генерируется "отрицательный" ток и ЕСМ понижает напряжение на датчике. При этом кислород "качается" из окружающей среды в выхлопную систему и к каталитическому преобразователю O2, CO и HC.

 При обедненной смеси (высоком содержании кислорода) изменяется направлении тока и, соответственно напряжение на датчике увеличивается более 3,3 вольта. При этом ток увеличивается из-за прокачки кислорода из выхлопной системы к атмосфере. 
   Таким образом, напряжение на этом датчике линейно зависит от состава выхлопных газов (в том числе и в зоне богатых смесей). Это позволяет ЕСМ точно определять состав смеси и осуществлять управление с максимальной эффективностью.

" ...¨Зевс¨, ты злишься! Значит ты неправ!"

  Такая неинтеллигентная реакция на этот пример успешного ремонта "на расстоянии"  только подтверждает мои предположения об истинной причине происходящего ...

  Кстати, целых два года понадобилось, что убедить "знатока" в том, что на сигнальном проводе датчика Sensor Lean Mixture Toyota можно и должно измерять напряжение!!! 

  Вы не находите, что это "многовато будет" ? Для аналогичной процедуры относительно A/F Ratio Sensor, наверняка,  понадобится больше... А уж до понимания этим "знатоком" т.н. "технической сути" NOx-, NH3-Sensors я уже и не надеюсь дожить :-)

Похоже, что эта страничка ("Lerning has no Limit" ;-)  никогда не кончится ... ;-(

"2-камерный" кислородный датчик применяется не только и не столько на HONDA, которая использует три типа кислородных датчиков (принципиально разных конструкций).


Небольшое вступление 2.
Если в одном сообщении некто пишет, что "...MAP датчик тем и хорош, что, в отличии от MAF, учитывает изменения атмосферного давления...", а в другом - "...датчик разрежения во впускном коллекторе (MAP-al) ... выдает сигнал..., на который не влияют колебания атмосферного давления... " и в обоих случаях ссылается на описания Toyota, то это "плюрализм в одной голове". И это очень грустно...
Одно из этих "открываний" (первое) наверняка  ввело бы в заблуждение неопытного участника соответствующей конференции и могло стать причиной  недоразумений...:-(
 

Некоторым аматерам, может быть стоит выбрать "какому богу молиться"?
("Изя, Вы или наденьте трусы или снимите крест!" :-) или
"И сказала кроха: - Что такое хорошо? И что такой плохо?" :-)

Из сообщения от 25 февраля 2002 г. :

 "…По методике (имеется ввиду описание проверки инжекторной системы с помощью анализа напряжения на контакте Vf - al), описанной в книге - это норма. Хотя (!) в настоящей сервисной инструкции от Toyota сказано, что норма на Vf1 - это 0. а 2.5 В и 5 в - это плохо…".

 В "глобальном исследовании" : "…Тест, который приводится во многих книжках - неверный. Я верю только учебному пособию для подготовки специалистов сервисных центров Toyota. Там сказано: система находится в режиме обратной связи, если на клемме Vf1 при замкнутых Te1 -E1 и разомкнутом контакте датчика ХХ (т.е. заслонка не в нуле, а значит обороты примерно 1500) напряжение равно нулю! Если 2.5 В или 5 В - система в режиме разомкнутой обратной связи…". 
И после констатации очевидного факта 20 марта того же года (!) следует заявление: "…Проверял на заведомо исправном автомобиле - высокое (прим.: имеется в виду напряжение VF1)").
Или автомобиль не совсем исправен или методика использовалась неправильно. Или стОит  разобраться, чтобы не блистать невежеством? " ... 
  Кроме того, в этом сообщении  от 6 марта с.г. Вас уж ознакомили с цитатой (the quote) из "родной" документации с правильной интерпретацией Vf1-напряжения.

Если до сих пор непонятно, то это описание теории и это описание практики помогут.
Теперь о другом.
  Утверждение, "…что Al склоняется к мнению, что датчик обедненной смеси возможно заменить обычным лямбда-зондом…" является ложью, что было доказано в ответе на это "изыскание". Может быть не стОит повторяться, но, тем не менее, "заголовок и дата отправления являются доказательством этого"! Я надеялся, что после ответа эта тема исчерпана… Но, увы...
Теперь "о главном".
Текст я привожу только в виде цитат (прошу прощения за их размер и цвет).
1.Отсутствие практики, да и соответствующих знаний теории предполагает (IMO) несколько "меньшую" безапелляционность.
2. "...рекомендовать всем и сразу ставить реле я бы не стал..." - пишет "знаток"

  Но я и не делаю это! Вы правильно цитирует, что "…я подключаю реле…". Но это только сообщение о том, как делаю я. Кроме этого, не могу не обратить внимание, что реле я использую при замене соответствующим датчиком Oxygen Sensor' ом "from Bosch". Т.н. "техническая суть" состоит в том, что при использовании Oxygen Sensor с значительно меньшим сопротивлением я использую дополнительное реле.

  А как "всем и сразу" подключать подогреватель ЛЗ? Напрямую? Но "Знаток" проверил  напряжение и цепь управления только на одном авто, на котором возможно, установлен Sensor Lean Mixture!  И это уже породило заблуждение о невозможности использования ЛЗ "from BOSCH" при неисправности 1-, 2-, 3-, 4-контактных "родных" Oxygen Sensors. Но не  6-контактных ЛЗ.
  "Полевой транзистор, аж на 25 ампер" установлен далеко не на всех ЕСМ. Кроме этого, есть различия  в блоках сделанных Denso и Bosch. Есть определенные особенности и у ЕСМ RHD автомобилей.
3. Чтение "по диагонали" не лучший способ (но обычный стиль "знатока") ... 
  Комментарий "…Скачок как скачок. А какая смесь должна быть при принудительном ХХ? Практически никакая, сплошной кислород :). Вот он и реагирует на него…" в ответ на "…а так же невероятный "скачек" выходного напряжения в режиме "принудительный ХХ", т.е. в ситуации, когда при закрытой дроссельной заслонке и больших оборотах двигателя, подача топлива прекращается" - тому свидетельство. "Скачек" вверх выходного напряжения O2 датчика объясняется обилием кислорода? Тогда, до того как публиковать "комментарии" полезно ознакомиться с выходной характеристикой датчика, например, здесь или с этим "процессом"!

 А со своим объяснением простоты и банальности этого "явления" обратитесь к автору этого сообщения или просто внимательно прочтите это (...Датчик работает в двух ипостасях...)
4. Приведенный график это не пример "склонения Владимира к замене "бедного" обычным датчиком"! Я не занимаюсь распространением заведомо ложных данных или "склонением" к заведомо неправильным поступкам!
Кроме того, так осталась не понятой причина этого скачка (может быть, не стоило откладывать "прочтение на потом" и все же обратить внимание на схожесть этого и этого графиков? Т.н. "техническая суть" состоит в том, что при проверке Sensor Lean Mixture не следует ограничиваться анализом напряжения на его сигнальном проводе или только проверкой напряжения на контакте Vf1! 
5. "Поэтому* обсуждать здесь, почему и какие кривые - просто нецелесообразно…"
 Да, обсуждать что-либо можно только с тем, кто понимает или готов понять суть происходящего.

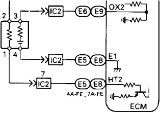
Checking Heater Circuit 6. "..Также не имеют смысла графики для двигателя SB153ABK00E089035 в части выходного напряжения датчика…". Почему не имеют смысла эти реальные данные, реального авто кроме "знатока", не знает никто! И, если бы было добавлено "для меня", то тогда понятно. Т.н. "техническая суть" состоит в том, что выход Sensor Lean Mixture не обязательно подключен непосредственно ко входу ОУ (см. рис.). Кроме того, может быть стОит ознакомиться с описанием входной цепи ЕСМ, к которой подключается датчик (п.3-б)?

Control Heater Circuit
 Обращаю внимание на то, что для управления нагревателем и для контроля его исправностью используются разные элементы принципиальной схемы... 

7. "...Мне непонятно, почему не проводилась? Это самое простое, что можно было сделать..." пишет "знаток". Повторю, что замечаний по функционированию датчика содержания остаточного кислорода в выхлопных газах и самого автомобиля - НЕ БЫЛО! А перепроверять в очередной раз методику этой процедуры - я не посчитал нужным! Кроме того, описанные "изыскания" проводились на автомобиле реального клиента, которому "до лампочки" то, что кто-то не может определиться...
8. "Знаток": "…приведенные осциллограммы нагрева тоже не соответствуют действительности…" Очередное безответственное утверждение! Я как чувствовал и специально указал: "…Примечание: Перед дальнейшим ознакомлением рекомендую ознакомиться с описанием стенда компьютерной диагностики…"! А осциллограммы еще как "соответствуют"!
 АЦП опрашивает состояние каналов только после подтвержденного факта закрытия форсунки. Но это никак не синхронизировано с импульсами, управляющими подогревом. Поясню. Фаза импульсов на подогревателе датчика никак не связана с напряжением, которое управляет форсунками! Поэтому АЦП при "опросе" канала, к которому подключено напряжение подогревателя, может "попасть" как на состояние "нулевое напряжение" на подогревателе, так и на состояние "высокое напряжение" на подогревателе! Поэтому* на этом графике нет столь желанной Вами периодичности! Происхождение указанного напряжения - вне понимания "знатоком" ;-(((
 
ШИМ-ность (pulse width modulator - PMW) напряжения на нагревателях HO2S некоторых автомобилей может быть проверена с помощью осциллографа. Подключение АЦП (с синхронизацией от напряжения на нагревателе, а не от форсунки) и последующим выводом графиков (по оси абсцисс – обороты двигателя, а по оси ординат – длительность или частота «скачков» напряжения на подогревателе) точно определила является ли эта зависимость функциональной или корреляционной! Стенд может полностью заменить осциллограф, но с бОльшими возможностями! 
  Кстати, с помощью этого "девайса" удалось "узнать" о том, что для уменьшения времени вхождения в рабочий температурный режим* при пуске холодного двигателя и для избежания остывания датчика при ХХ двигателя, на подогреватель Sensor Lean Mixture подается импульсное напряжение. Версия о том, что ECM контролирует температуру Sensor Lean Mixture является очередным домыслом.
  "Пилообразность напряжения" кажущаяся, т.к. вызвана только тем, что соответствующая линия (для удобства восприятия) только графически соединяет две точки, которые отображают результат измерения!  Необходимость этого разъяснения наводит на мысль, что "это уже диагноз"! И сколько же ещё надо потратить времени для разъяснения столь очевидного? 
  Наличие или отсутствие контакта "Ох" в диагностическом разъеме DLC No.1, более чем шаткий критерий и может рассматриваться только как косвенная "улика". 
 
Off: "настольных книг" у меня три: упомянутый ниже словарь, Toyota Repair Manual и сборник романов И. Ильфа и Е. Петрова (с более чем актуальным и "вечно живым" образом еще одного "знатока" - гражданина В.М. Полесова:-). 
  Знание азов схемотехники ОУ необходимое (желательное), но увы, недостаточное условие... Делать открытия полезно, но, право, не стоит на основании частного факта делать общий вывод! И данные одного авто распространять на системы всех автомобилей, всех типов двигателей, всех годов выпуска и всех рынков! "Ничто не вечно под луной"!
  Не стоит утруждать себя ответом. Я не борец с
воинствующим невежеством
Упорство в нежелании признать своё "верхоглядство"  делают продолжение бессмысленным...

 

 *"Поэтому" - наречие  (не путать с местоимением: "по этому пути"). Орфографический  словарь русского языка., Под ред. С.И.ОЖЕГОВА и А.Б.ШАПИРО, М.,1957.)

 

И вообще, "Лингвист" - это звучит гордо! Хотя и незаслуженно...:-)

V. P. Leshchenko
 25/12/2002

..
See other inform in SAE TECHNICAL PAPERs No. 1999-01-1170, 2000-01-1204, 982647, 981909, 1999-01-1485, 970843, etc.

Список рекомендуемой литературы.

1. А.Г. Алексенко и др., Применение прецизионных аналоговых микросхем, М., "Радио и связь", 1985.

2. Л. Фолкенберри, Применение операционных усилителей и линейных ИС, М., "Мир", 1985.

 

3. П. Хоровиц, У. Хилл. Искусство схемотехники, М., "Мир", 1984.

4. В.З. Найдеров и др., Функциональные устройства на микросхемах, М., "Радио и связь", 1985.

5. А.К. Гирявец, Теория управления автомобильным бензиновым двигателем, М., 1997.

6. В.А. Батушев и др., Микросхемы и их применение, М., "Радио и связь", 1985.

7. К.А. Морозов, Токсичность автомобильных двигателей, М., "Легион-Автодата", 2001.

8. "Система Компьютерного Управления "Тойота", Учебное пособие, Том 1. Overseas Service Division. TOYOTA MOTOR CORPORATION.

9. Asian Imports Troubleshooter, Snap-on Incorporated, Sixth Edition, 1998.

10. Toyota/Lexus Training Material, Toyota Motor Sales, USA Inc.

11. TCCS (СКУТ), Учебное пособие "TOAM", т.1. Тойота Мотор Корпорейшн, 1999.

12. Toyota Carina. Модели 1992-1996 г.г., М., "Легион-Автодата", 2002.

13. Master Technician High-Tech Update - Course 982

14. В.П. Лещенко, Кислородные датчики, М., "Легион-Автодата", 2003.

 

2002-2021 al tech page