|
Air Suspension Toyota
Методика, описанная в
этой
заметке почти не изменилась, но
изменилась идентификация кодов и диагностические
средства... Для считывания кодов
самодиагностики и выявления
неисправностей датчиков системы
пневмоподвески используется контакты Ts и Tc.
|

TEMS (Toyota Electronically Modulated Suspension)
предназначена для изменения усилия
амортизации: Normal или Sport. Усилие амортизации
для выбранного режима управляется ECM TEMS в
зависимости от условий движения и может
быть одним из трёх: "Мягким", "Средним",
"Жестким". Система предназначена для
повышения комфорта и безопасности. Впервые
применена в 1984 году и устанавливалась "под
заказ" с января 1986 года на SUPRA (MA70, for USA, Canada,
Australia) и на Cressida (MX73, for USA) с августа 1984 г. по
август 1988 г.
При положении переключателя "Normal" ECM
устанавливает "мягкое" усилие
амортизации. При "SPORT" - "среднее".
При резком трогании с места или разгоне для
ограничения приседания автомобиля ECM
устанавливает "жесткое" усилие
соответствующих амортизаторов. Аналогично
система работает при резких торможениях,
поворотах. При достижении скорости 140 км/час
устанавливается "среднее" усилие
амортизации.
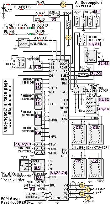
В состав системы входят:
- ручной переключатель (NORMAL - SPORT);
- датчик положения руля;
- датчик стоп-сигнала;
- датчик положения дроссельной заслонки;
- датчики высоты (Height Sensors);
- переключатель селектора передач (для A/T, не
используется с 1987 г.);
- ECM TEMS;
- электромеханические привода изменения
жесткости амортизаторов;
- амортизаторы с 3-ступенчатым усилием
амортизации; 
- контрольные лампы, диагностические
разъемы.
Предусмотрены диагностические
функции и функция поддержания
работоспособности.
Система управления жесткостью амортизации,
жесткостью и высотой подвески называется
"EMAS" (Electronically-Modulated Air Suspension) и впервые
применена в Lexus 1989 г.в. Системы в автомобилях для USA и для внутреннего японского рынка имеют
некоторые отличия. Например, для USA
предусмотрены три ступени изменения высоты
автомобиля.
При проверке исправности исполнительных
механизмов и датчиков, следует исходить из
того, что в зависимости от года выпуска,
страны-производителя возможны отличия в их
конструкции.
Например, датчики высоты (Height Control Sensors) могут
использовать:
- оптопары и диск с прорезями (e.g. Lexus a '94)
- контакты ("на замыкание")
- потенциометры
Иногда эти датчики бывают в таком плачевном состоянии"
-> |
Кроме того, в датчиках высоты могут быть
установлены пьезоэлектрические Shock Sensor,
которые используются для определения
качества дорожного покрытия и
соответствующего изменения жесткости и
высоты подвески (по внешнему виду
неотличимы от Sensor Acceleration - Part No. 89190-30010).
В рассмотренных
системах контроля высоты автомобиля и
жесткости подвески используются следующие
коды самодиагностики*:
Note. *Не все
перечисленные неисправности вызывают включение соответствующей индикации при их
возникновении.
Для автомобилей разных годов выпуска и
разных моделей могут использоваться только
некоторые, из перечисленных кодов).
|
Code
|
System
|
|
|
11
|
Неисправность цепи
датчика
контроля высоты переднего правого
колеса
|
|
| 12 |
Неисправность цепи
датчика
контроля высоты переднего левого
колеса |
|
| 13 |
Неисправность цепи
датчика контроля высоты заднего правого
колеса |
|
| 141 |
Неисправность цепи
датчика контроля высоты заднего левого
колеса |
|
| 15 |
Неисправность
датчика контроля высоты
переднего
правого колеса |
|
| 16 |
Неисправность
датчика контроля высоты переднего левого
колеса |
|
| 211 |
-
Неисправность цепи исполнительного
механизма передней подвески
- Неисправность компрессора (Part No. 48910-30160) |
|
| 22 |
Неисправность
цепи исполнительного
механизма задней подвески |
|
| 31 |
- Неисправность
цепи клапана управления высотой No.1
- Неисправность
цепи Fr Left клапана управления высотой |
|
| 32 |
Неисправность
цепи Fr Right клапана управления высотой |
|
| 33 |
Неисправность
цепи клапана управления высотой No.2 (для
правой подвески) |
|
| 34 |
Неисправность
цепи клапана управления высотой No.2 (для
левой подвески) |
|
| 35 |
Неисправность
цепи выпускного клапана |
|
| 41 |
Неисправность
цепи реле контроля высотой No.1((Part No. 90987-02006) |
|
| 42 |
Неисправность
цепи электропривода компрессора |
|
| 51 |
Более
допустимого время подачи напряжения к
реле управления высотой No.1 и к
электроприводу компрессора |
|
| 52 |
Более
допустимого время подачи напряжения к
выпускному клапану |
|
| 61 |
Неисправность
ESCM (Part No. 89293-30131) |
|
| 71 |
Неисправность
переключателя режима пневмоподвески |
|
| 72 |
Неисправность
цепи питания ECM (+B) |
|
| 732 |
Неисправность
генератора или отсутствие зарядки (при незаведенном
двигателе) |
|
| 74 |
Низкое
напряжение питания ESCM |
|
| 75 |
Автомобиль
находится на неровной площадке или
система полностью неисправна |
|
| 823 |
Неисправность
датчика положения рулевого колеса |
|
| 833 |
Неисправность
выключателя стоп-сигнала |
|
| 843 |
Неисправность
датчика открывания дверей |
|
| 853 |
Неисправность
датчика положения дроссельной заслонки (TPS) |
|
| 913 |
Неисправность
датчика скорости |
|
| 923 |
Неисправность
переключателя высоты (Part No. 89276-30010) |
|
| 933 |
Неисправность
переключателя жесткости пневмоподвески |
|
В некоторых моделях (Crown Majesta) применены два
датчика высоты (передний левый и задний
правый).
1995 LS400 AIR SUSPENSION DIAGNOSTIC TROUBLE CODE CHECK
(TSB SU95–001)
The Air Suspension Diagnostic Trouble Code Checking and Canceling Procedures listed
in the '95 LS 400 Repair Manual are incorrect.
This bulletin contains the correct procedures for reading and clearing the Diagnostic Trouble Codes from the Electronic Air Suspension on the 1995 LS 400. In general, the correct procedure differs from the Repair Manual (RM405U1) in the following areas:
1. The DOME-FR fuse must be removed prior to checking trouble codes.
2. Trouble codes can be canceled by simply shorting Tc to E1 and turning on the ignition
switch for 5 seconds with the DOME-FR fuse installed.
CHECKING DIAGNOSTIC TROUBLE CODES
(Считывание* кодов неисправности, иногда только через DLC
No.2)
1. Remove the DOME-FR fuse in the engine compartment fuse box.
Notice: Removing the DOME-FR fuse cuts off the backup power to the seat memory and the clock. Before starting repairs, make a note of the power seat position.
Before returning the vehicle to the customer, reset the power seat to the previously memorized position and reset the clock.
2. Open the driver's door.
3. Connect terminals Tc and E1 of the DLC1 or DLC2 (SST # 09843-18020).
4. Turn the ignition switch on.
5. Read the diagnostic trouble code output on the height control indicator.
NOTE: When the engine is not running, diagnostic trouble code "73" is indicated. This is normal.
When a diagnostic trouble code is not indicated, check the Tc terminal circuit.
6. Check the malfunction using the code table.
7. After completing the check, disconnect terminals Tc and E1 and turn off the display.
NOTE: In the event of 2 or more malfunction codes, the smallest numbered code will be displayed first.
CANCELING DIAGNOSTIC TROUBLE CODES.
1. Install the DOME-FR fuse to the engine compartment fuse box.
2. Using diagnostic check wiring SST, connect terminals Tc and E1 of DLC1 or DLC2.
3. Turn the ignition switch on for 5 seconds or longer.
Коды неисправности воздушной подвески
Toyota
Проверка управления электронной Air Suspension
Пример диагностики Air Suspension (Toyota Crown
1991)
Photo,
Location and Toyota Parts
No.
for
CROWN MAJESTA UZS151-CTPZK.
|